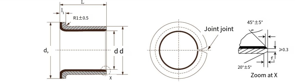
HZ-1/A Type Reverse-Coil Selvsmørende Bearing er konstruert for å levere eksepsjonell holdbarhet og lite vedlikehold i miljøer med mye stress. Designet for industrimaskiner, bilsystemer og tungt utstyr, integrerer dette lageret en revers-coil-struktur kombinert med innebygde solide smøremidler, og sikrer jevn ytelse uten ekstern smøring.
Nøkkelegenskapene til HZ-1/A inkluderer høy lastekapasitet, korrosjonsmotstand og forlenget levetid under ekstreme temperaturer. Dens selvsmørende design minimerer friksjon og slitasje, og reduserer nedetid og vedlikeholdskostnader. Lagerets kompakte, lette konstruksjon gjør det egnet for bruksområder der plass og vekteffektivitet er kritisk.














